項目の説明
| 項目 | 制限 | 備考 | ||
|---|---|---|---|---|
| 共通 | ||||
| 符号、位置 | 符号 | 8文字以内 | ○ | |
| 位置 | 下記のいずれか 「1:全断面」 「2:左端」 「3:中央」 「4:右端」 「5:外端」 「6:内端」 「7:両端」 「8:端部」 「9:?端」 「10:基端」 「11:先端」 「12:他端」 「13:連端」 |
|||
| RC | ||||
| B×D(㎜)・スラブ | はり幅×はりせい | B≦32000 D≦32000 |
○ | |
| スラブ形状 | 下記のいずれか 「1:両側」 「2:左側」 「3:右側」 「4:なし」 「5:両側*」 「6:左側*」 「7:右側*」 「8:なし*」 *印は、はり上端の打ち増しあり |
|||
| 主筋本数・径 | 上端1段筋 径1 | 主筋本数 n≦64 径・鉄筋径で下記のいずれか 「10:D10」 「13:D13」 「16:D16」 「19:D19」 「22:D22」 「25:D25」 「29:D29」 「32:D32」 「35:D35」 「38:D38」 「41:D41」 |
○ | |
| 上端1段筋 径2 | ||||
| 上端2段筋 径1 | ||||
| 上端2段筋 径2 | ||||
| 上端3段筋 径1 | ||||
| 上端3段筋 径2 | ||||
| 下端3段筋 径1 | ||||
| 下端3段筋 径2 | ||||
| 下端2段筋 径1 | ||||
| 下端2段筋 径2 | ||||
| 下端1段筋 径1 | ||||
| 下端1段筋 径2 | ||||
| あばら筋材質・タイプ | あばら筋材質 | 下記のいずれか 「1:普通鉄筋」 「2:SHD685」 「3:KH685」 「4:SPR685」 「5:OT685」 「6:USD685」 「7:KSS785」 「8:KW785」 「9:KH785」 「10:MK785」 「11:JH785」 「12:SPR785」 「13:USD785」 「14:SBPD1275/1420」 「15:SBPDN1275/1420」 「16:MK685」 |
||
| あばら筋タイプ | 下記のいずれか 「1:普通」 「2:スパイラル」 |
|||
| あばら筋(㎜) | あばら筋形 | 1~10本 | ○ | |
| あばら筋径1 | 下記のいずれか 「10:D10」 「13:D13」 「16:D16」 「19:D19」
|
○ | ||
| あばら筋径2 | ○ | |||
| あばら筋ピッチ | @≦32000 | ○ | ||
| 腹筋・配筋形状 | 腹筋本数 | n≦64 | ||
| 腹筋径 | 異形鉄筋径で下記のいずれか 「10:D10」 「13:D13」 「16:D16」 「19:D19」 「22:D22」 「25:D25」 「29:D29」 「32:D32」 「35:D35」 「38:D38」 「41:D41」 |
|||
| せん断補強タイプ | 下記のいずれか 「1:通常」 「2:X形」 |
|||
| 地業(㎜) | 捨てコンクリート | @≦32000 | ||
| 敷砂利 | @≦32000 | |||
| S | ||||
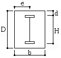
| H、B、tw、tf(㎜) | 鉄骨せい | H≦32000 | △ | |
| 鉄骨幅 | B≦32000 | △ | ||
| ウェブ厚 | tw≦32000 | |||
| フランジ厚 | tf≦32000 | |||
| 種別・鉄骨心・かぶり | 鉄骨種別 | 下記のいずれか 「1:RH」 「2:BH」 |
||
| 鉄骨心 | e≦32000(駆体左側面より) | |||
| 鉄骨上端かぶり | d≦32000 | |||
| 材質F/W | フランジ材質 | 下記のいずれか 「1:SS400」 「2:SS490」 「3:SM400」 「4:SM490」 「5:SM520」 「15:SN400」 「16:SN490」 「41:SUS304A」 「42:SUS316A」 「43:SUS304N2A」 「51:SSC400」 「61:HBL385」 |
||
| ウェブ材質 | ||||
| 共通 | ||||
| 出力指定 | 下記のいずれか 「0:出力する」 「1:出力しない」 |
|||
補 足
